SCHMIDT® Toggle Presses

Especially for small batches, a manual workstation with mechanical presses is often the most economical solution. To help you achieve your production goals, we have continuously developed the hand lever presses.

Do you need a high force at the stroke end for material forming processes? Then SCHMIDT® Toggle Presses are just the right choice.

Features

* High force at the end of stroke (see diagramm below)

* Honed bores and ground rams provide a long service life and a precise guidance

  • Rapid changeover due to the easy and secure adjustment of the working height

* Table tops with precision T-slot and precise alignment between the ram and table bores allow for accurate and repeatable set ups which reduces set-up times

* The original position of the hand lever can be varied by 360°

* Horizontal pull (111 / 113)

* Available for left-handed and right-handed use

* The return stroke force of the ram can be adapted to different tool weights

* Alignment < 0.05 mm between upper and lower tool

* No lubrication necessary

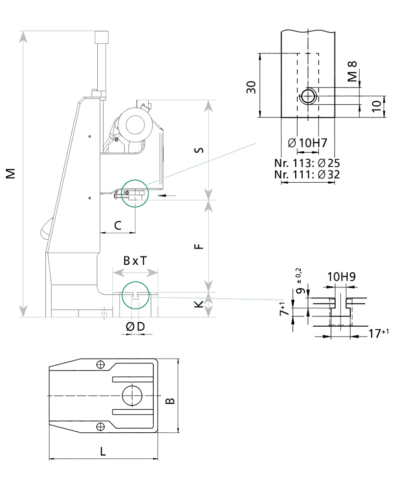
5 to 15 kN Technical Data

Press type 13
13F
13R
13RF
11
11F
11R
11RF
15
15F
15R
15RF
14
14F
14R
14RF
16
16F
16R
16RF
17
17F
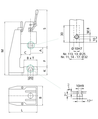
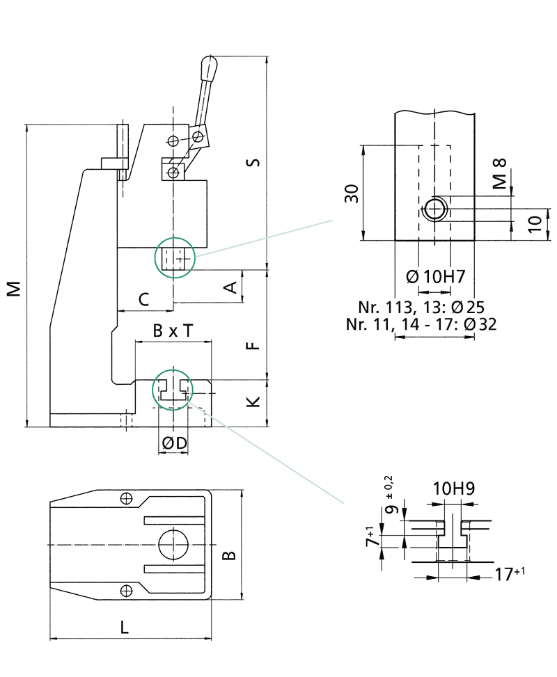
Press head type 13-40
13F-35
13R-40
13RF-35
11-45
11F-35
11R-45
11RF-35
11-45
11F-35
11R-45
11RF-35
11-60
11F-50
11R-60
11RF-50
11-60
11F-50
11R-60
11RF-50
11-20
11F-20
Nominal force kN 5 5 12 12 12 12 12 12 12 12 15
Working stroke5) A mm 40
35
40
35
45
35
45
35
45
35
45
35
60
50
60
50
60
50
60
50
20
20
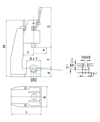
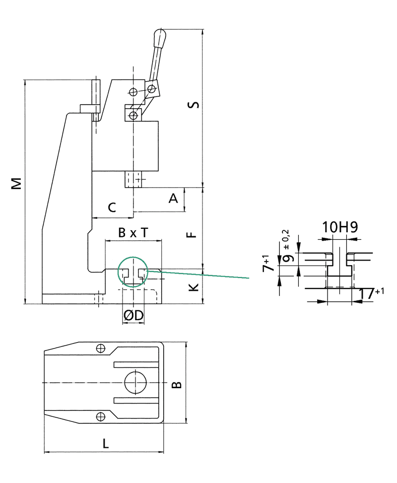
Throat depth C mm 65 65 86 86 86 86 86 86 86 86 86
Press head height S mm 385
400
385
400
520
540
520
540
520
540
520
540
500
520
500
520
500
520
500
520
620
640
Max. Weight of upper tool 3)
standard / reinforced spring
kg 1.2 / 3.5
1.5 / 3
1.2 / 3.5
1.5 / 3
2 / 4.5
2.5 / 6
2/4
2/6
2 / 4.5
2.5 / 6
2/4
2/6
1.5 / 2.5
2/5
1.5 / 2.5
1.5 / 4
1.5 / 2.5
2/5
1.5 / 2.5
1.5 / 4
2.5 / -
2.5 / -
Working height 4) F
Stand No. 13 mm 65 – 180
40 – 155
66 – 180
40 – 155
Stand No. 3 mm 75 – 210
50 – 185
75 – 210
50 – 185
90 – 220
65 – 195
90 – 220
65 – 195
65 – 200
50 – 185
Frame No. 5 mm 65 – 315
50 – 300
Frame No. 2 mm 100 – 345
80 – 325
100 – 345
80 – 325
110 – 360
85 – 335
110 – 360
85 – 335
Frame No. 2-600 ○ mm 200 – 585
175 – 560
200 – 585
175 – 560
200 – 585
175 – 560
200 – 585
175 – 560
210 – 595
185 – 570
210 – 595
185 – 570
210 – 595
185 – 570
210 – 595
85 – 570
200 – 585
175 – 560
Frame No. 2-1000 ○ mm 330 – 1020
305 – 1000
330 – 1020
305 – 1000
330 – 1020
305 – 1000
330 – 1020
305 – 1000
340 – 1030
315 – 1010
340 – 1030
315 – 1010
340 – 1030
315 – 1010
340 – 1030
315 – 1010
330 – 1020
305 – 1000
Weight approx. kg 12 13 23 24 29 29 24 24 29 29 23
Accessories 13
13F
13R
13RF
11
11F
11R
13RF
15
15F
15R
15RF
14
14F
14R
13RF
16
16F
16R
16RF
17
17F
Mechanical counter
Projection adaptation (total projection) 111 mm, 131 mm
Additional table top suitable for
projection adaptation
Stop clamp 2)










Shortening the working stroke 10 10 10 10 10 10 10 10 10 10 10
Stand overview Press type Stand height
M (mm)
Table size
W x D (mm)
Table bore
D (Ø mm)
Table height
K (mm)
Footprint
W x L (mm)
No. 13 13 475 110 x 80 20 H7 46 110 x 185
No. 3 11, 14, 17 540 150 x 110 20 H7 60 150 x 260
No. 5 17 536 185 x 110 20 H7 60 185 x 275
No. 2 15, 16 700 185 x 110 20 H7 60 185 x 280
No. 2-600 11, 14, 15, 16, 17 974 200 x 160 20 H7 98 200 x 290
No. 2-1000 12, 14, 15, 16, 17 1410 200 x 160 20 H7 98 200 x 290
Options
● Standard at no extra charge   ○ variant with surcharge
1) Adjustment of the locking position possible on request
2) Stroke shortened by 10 mm for variant at extra cost
3) Weight was determined in hand lever position 45 ° forward (guide values) with standard stroke (not special stroke)
4) Typical values; can deviate by ±3 mm due to casting and manufacturing tolerances
5) Stroke adjustable with stop clamp (in the scope of delivery)
Special designs
Nickel-plated version for a surcharge, press frame, cast parts and table top chemically nickel-plated, steel parts burnished, aluminum parts anodized, polished components bright
Special painting RAL colors
Special table bores and special ram bores on request

2.5 to 12 kN with Horizontal Pull

Press type   113
113F
113R
113RF
111
111F
111R
111RF
Press head type 113-28
13F-28
113-28
13F-28
111-45
111F-50
111R-45
111RF-50
Nominal force kN 2.5 2.5 12 12
Working stroke5) A mm 28
28
28
28
45
50
45
50
Throat depth C mm 65 65 86 86
Press head height S mm 170
180
190
200
215
225
240
250
Max. weight of upper tool 3) kg 1/3
0.6 / 3
0.5 / 2.5
0.6 / 3
2.5 / -
3 / -
2.5 / -
3 / -
Working height 4) F
Frame No. 13 mm 50 – 165
40 – 155
66 – 180
40 – 155
Frame No. 3 mm 120 – 205
105 – 195
120 – 205
105 – 195
Frame No. 2 mm 120 – 345
105 – 335
120 – 345
105 – 335
Frame No. 2-600 ○ mm 200 – 580
185 – 570
200 – 580
185 – 570
Frame No. 2-1000 ○ mm 330 – 1020
310 – 1000
330 – 1020
310 – 1000
Weight approx. kg 11 11 28 28
Options 113
113F
113R
113RF
111
111F
111R
111RF
Mechanical counter
Projection adaptation (total projection)
111 mm, 131 mm
Additional table top suitable for projection adaptation
Stop clamp 2)



Shortening the working stroke 10 10 10 10
Frame overview Press type Frame height
M (mm)
Table size
W x D (mm)
Table bore
D (Ø mm)
Table height
K (mm)
Footprint
W x L (mm)
No. 13 113 475 110 x 80 20 H7 46 110 x 185
No. 3 111 540 150 x 110 20 H7 60 150 x 260
No. 2 111 700 185 x 110 20 H7 60 185 x 280
No. 2-600 111 974 200 x 160 20 H7 98 200 x 290
No. 2-1000 111 1410 200 x 160 20 H7 98 200 x 290
Options
● Series with no additional charge   ○ Additional charge applies
1) Adjustment of the locking position possible on request
2) Stroke shortened by 10 mm for variant at extra cost
3) Weight was determined in hand lever position 45 ° backwards (guide values) with standard stroke (not special stroke)
4) Typical values; can deviate by ±3 mm due to casting and manufacturing tolerances
5) Stroke adjustable with stop clamp (in the scope of delivery)
Special designs
Nickel-plated version for a surcharge, press frame, cast parts and table top chemically nickel-plated, steel parts burnished, aluminum parts anodized, polished components blank
Special painting RAL colors
Special table bores and special ram bores on request

5 to 22 kN with Square Ram

Press type  13V
13VF
13VR
13VRF
11V
11VF
15V
15VF
11VR
11VRF
15VR
15VRF
14V
14VF
16V
16VF
14VR
14VRF
16VR
16VRF
19V
19VF
19VR
19VRF
Press head type13V-40
13VF-40
13V-40
13VF-40
11V-45
11VF-45
11V-45
11VF-45
11VR-45
11VRF-45
11VR-45
11VRF-45
11V-60
11VF-60
11V-60
11VF-60
11VR-60
11VRF-60
11VR-60
11VRF-60
19V-40
19VR-40
Nominal forcekN5512121212121212122222
Working strokeAmm40
40
40
40
45
45
45
45
45
45
45
45
60
60
60
60
60
60
60
60
40
40
40
40
Throat depthCmm65658686868686868686131131
Press head heightSmm385
400
385
400
510
530
510
530
510
530
510
530
510
530
510
530
510
530
510
530
620
620
620
620
Max. weight of upper tool 4)
standard / reinforced spring
kg1,2 / 4
2 / 3,5
1,2 / 4
2 / 3,5
1,6 / 4,2
2 / 5
1,6 / 4,2
2 / 5
1,6 / 4,2
2 / 5
1,6 / 4,2
2 / 5
1 / 3,5
1 / 3,5
1 / 3,5
1 / 3,5
1 / 3,5
1 / 3,5
1 / 3,5
1 / 3,5
2 / -
2 / -
2 / -
2 / -
Working height 5)F
Frame No. 13mm65 – 180
50 – 165
66 – 180
50 – 165
Frame No. 3mm80 – 210
60 – 190
80 – 210
60 – 190
80 – 210
60 – 190
80 – 210
60 – 190
Frame No. 2mm105 – 350
85 – 330
105 – 350
85 – 330
105 – 350
85 – 330
105 – 350
85 – 330
Frame No. 2-600 ○mm200 – 585
185 – 570
200 – 585
185 – 570
210 – 590
195 – 575
210 – 590
195 – 575
Frame No. 2-1000 ○mm330 – 1020
315 – 1000
330 – 1020
315 – 1000
340 – 1030
325 – 1015
340 – 1030
325 – 1015
Frame No. 19mm90 – 22090 – 220
Frame No. 19-400 ○mm160 – 400160 – 400
Frame No. 19-500 ○mm260 – 550260 – 550
Weightapprox. kg121224322432243224328585
Optionen13V
13VF
13VR
13VRF
11V
11VF
15V
15VF
11VR
11VRF
15VR
15VRF
14V
14VF
16V
16VF
14VR
14VRF
16VR
16VRF
19V
19VF
19VR
19VRF
Strock release
Mechanical counter
Throat depth frame
111 mm, 131 mm
Throat depth frame 151 mm
Additional fixture mounting plate
suitable for throat depth frame
Frame OverviewPress TypeFrame Height
M (mm)
Table Size
B x T (mm)
Table Bore
D (Ø mm)
Table Height
K (mm)
Mounting Surface
B x L (mm)
No. 1313475110 x 8020H746110 x 185
No. 311, 14540150 x 11020H760150 x 260
No. 215, 16700185 x 11020H760185 x 280
No. 2-60015, 16974200 x 16020H798200 x 290
No. 2-100015, 161410200 x 16020H798200 x 290
No. 1919640200 x 16025H7112200 x 370
No. 19-400 ○19840250 x 20040H7145250 x 460
No. 19-500 ○191000250 x 20040H7145250 x 480
Options
● Series with no additional charge   ○ Additional charge applies
1) Adjustment of the locking position possible on request
2) Stroke shortened by 10 mm for variant at extra cost
3) Weight was determined in hand lever position 45 ° backwards (guide values) with standard stroke (not special stroke)
4) Typical values; can deviate by ±3 mm due to casting and manufacturing tolerances
5) Stroke adjustable with stop clamp (in the scope of delivery)
Special designs
Nickel-plated version for a surcharge, press frame, cast parts and table top chemically nickel-plated, steel parts burnished, aluminum parts anodized, polished components blank
Special painting RAL colors
Special table bores and special ram bores on request
Back to Top