Technical Data
| Press type | 343 | 345 | 347 | ||
|---|---|---|---|---|---|
| Force F max. 1) | kN | 4 | 10 | 20 | |
| Force F at 100 % duty cycle 2) | kN | 2,5 | 6 | 13 | |
| Ram stroke | A | mm | 100 | 150 | 150 |
| Ram speed max. | mm/s | 200 | 200 | 100 | |
| Drive resolution | E | µm | < 1 | < 1 | < 1 |
| Resolution PDA – stroke – force | µm/inc N/inc | 1,69 1,25 | 2,4 3,0 | 2.4 6.25 | |
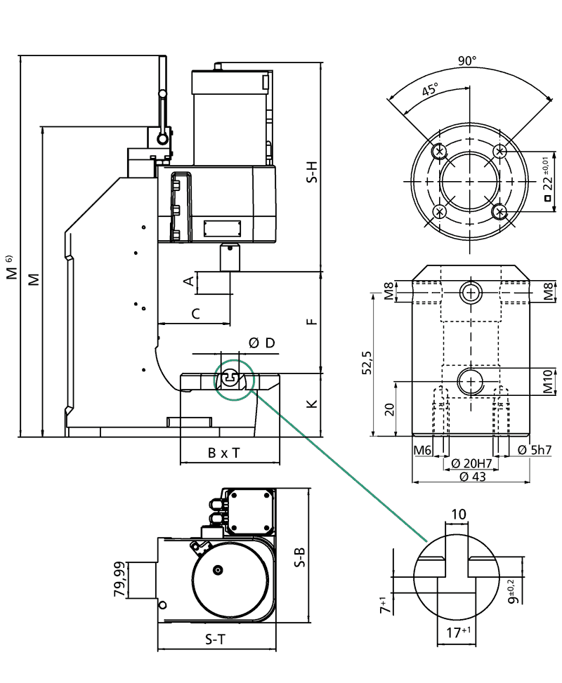
| Throat depth | C | mm | 129 | 129 | 160 |
| Decibel level | dB A | 60 | 60 | 66 | |
| Power supply – motor power – logic unit | 208 – 240 V AC ±10 % 24 V DC / 2 A | 208 – 240 V AC ±10 % 24 V DC / 2 A | 208 – 240 V AC ±10 % 24 V DC / 2 A | ||
| Working height frame 7-420 3) Working height frame 7-600 3) | F | mm | 62 – 420 100 – 610 | 50 – 360 | |
| Working height frame 35 3) Working height frame 35-500 3) Working height frame 35-600 3) | F | mm | 18 – 225 80 - 495 196 - 612 | ||
| S-H x S-B x S-T | mm | 402 x 240 x 385 | 530 x 275 x 410 | 463 x 298 x 261 | |
| Weight | kg | 36 | 59 | 66 | |
| PRC Gateway, number of I / O's | 16 inputs / 16 outputs | 16 inputs / 16 outputs | 16 inputs / 16 outputs |
| Frame overview | Press type | Frame height M (mm) | Table size W x D (mm) | Table bore D (Ø mm) | Table height K (mm) | Mounting Surface W x L (mm) |
|---|---|---|---|---|---|---|
| No. 7 – 420 | 343, 345 | 740 | 180 x 150 | 20H7 | 90 | 220 x 362 |
| No. 7 – 600 | 343 | 960 | 180 x 280 | 20H7 | 110 | 220 x 465 |
1) Temporary peak load
2) Nominal power in continuous operation
3) Typical values; can vary ± 3 mm due to casting and production tolerances






















