Caractéristiques
- Adaptation parfaite aux exigences individuelles grâce à la conception modulaire
- Haute flexibilité et rentabilité grâce aux temps de préparation réduits
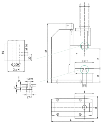
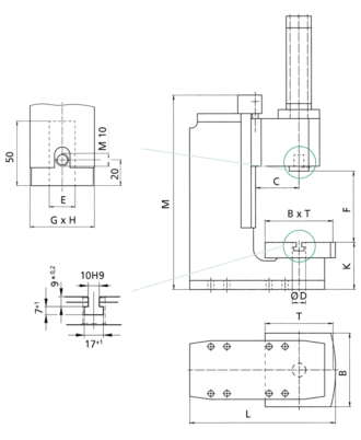
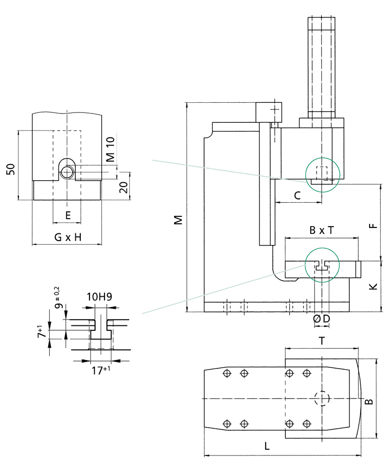
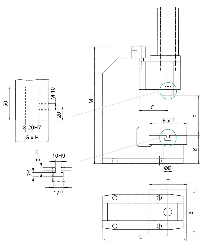
- Positionnement aisé et précis des outils par l’alésage de positionnement centrique dans la table de presse rectifiée
- La présélection de la force de pression permet de réduire la pression pour la course de puissance à 1 bar. Ainsi, la force de pression nominale se réduit à 1/6 de la force maximale.
- Des capteurs de proximité inductifs permettent la détection des positions de fins de course du coulisseau.
- Longue durée de vie, même en cas de hautes fréquences de course, assurée par le système hydropneumatique sans ressort spiral dans le vérin
- Entretien réduit, assurant ainsi une grande disponibilité
- Longue durée de vie et haute précision grâce aux paliers sans entretien
- La fonction de commutation de course rapide à course de puissance permet de ménager les outils
- En cas d’utilisation d’outils lourds, le dispositif de retenue du coulisseau en position de départ situé sur le bloc de commande pneumatique procure une protection supplémentaire contre les accidents
- Faible niveau de bruit (< 75 dBA)

























