1,6 à 12,5 kN données techniques
| Type de presse | 20 | 23 | 24 | 25 | ||
| Course de travail | A | mm | 50, 75 100, 125 160, 200 250, 300 | 50, 75 100, 125 160, 200 250, 300 | 50, 75 100, 125 160 | 50, 75 100 |
| Force nominale à 6 bars | kN | 1,6 | 4,2 | 8,4 | 12,5 | |
| Col de cygne | C | mm | 86 | 86 | 86 | 86 |
| Adaptation col de cygne o | mm | 111, 131 160, 200 | 111, 131 160, 200 | 111, 131 160, 200 | 111, 131 | |
| Table associée à l´adaptation col de cygne | o | o | o | o | ||
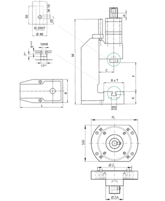
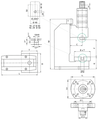
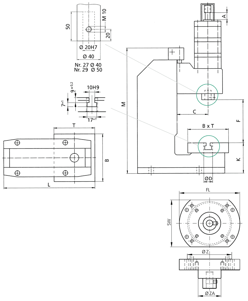
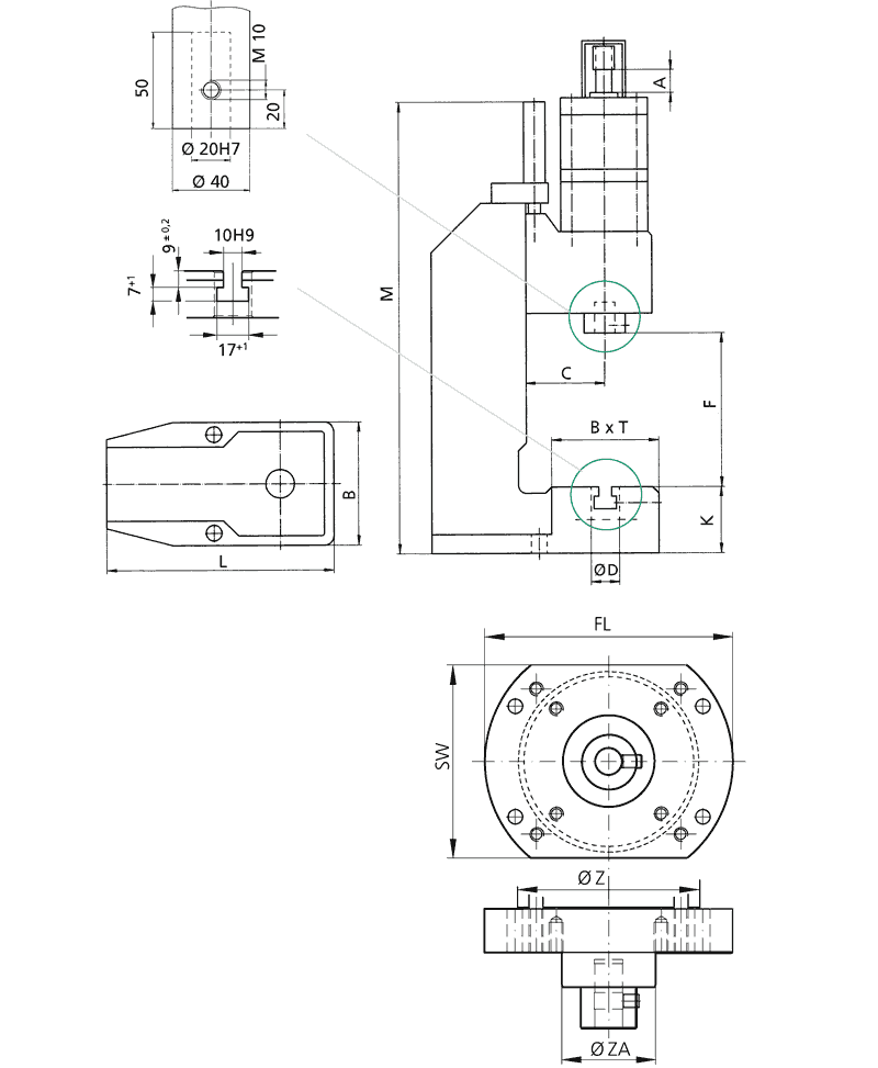
| Alésage coulisseau | Ø | mm | 20H7 | 20H7 | 20H7 | 20H7 |
| Diamètre du coulisseau | Ø | mm | 40 | 40 | 40 | 40 |
| Hauteur de travail 1) | F | |||||
| Bâti No. 3 | mm | 80 – 220 | 90 – 210 | 90 – 210 | 90 – 210 | |
| Bâti No. 2 o | mm | 110 – 360 | 120 – 350 | 120 – 350 | 120 – 350 | |
| Bâti No. 2-600 o | mm | 200 – 600 | 210 – 580 | 210 – 580 | 210 – 580 | |
| Bâti No. 2-1000 o | mm | 330 – 1040 | 335 – 1020 | 335 – 1020 | 335 – 1020 | |
| Poids | env. kg | 30 | 35 | 40 | 45 | |
| Version à bride | 20-FL | 23-FL | ||||
| Vérin | Z | Ø mm | 69 | 106 | 106 | 106 |
| Bride | FL | Ø mm | 110 | 140 | 140 | 140 |
| Cote sur plats | SW | mm | 80 | 112 | 112 | 112 |
| Epaulement de centrage | ZA | 60 | 68 | 68 | 68 |
| Aperçu des bâtis | Type de presse | Hauteur de bâti M (mm) | Dimension table B x T (mm) | Alésage de table D (Ø mm) | Hauteur de table K (mm) | Encombrement B x L (mm) |
| No. 3 | 20, 23, 24, 25 | 540 | 150 x 110 | 20H7 | 60 | 150 x 260 |
| No. 2 | 20, 23, 24, 25 | 700 | 185 x 110 | 20H7 | 60 | 185 x 280 |
| No. 2-600 | 20, 23, 24, 25 | 974 | 200 x 160 | 20H7 | 98 | 200 x 290 |
| No. 2-1000 | 20, 23, 24, 25 | 1410 | 200 x 160 | 20H7 | 98 | 200 x 290 |
| Options |
|---|
| o Variantes avec supplément de prix |
| 1) Les valeurs peuvent varier de ± 3 mm en raison des tolérances de fonderie et de finition |
| Versions spéciales |
| • Version nickelée avec supplément de prix, bâti de presse, pièces moulées en fonte et table de presse nickelées, pièces en acier brunies, pièces en aluminium anodisées, composants rectifiés brillants |
| • Peinture spéciale teintes RAL |
| • Sur demande, alésages spéciaux pour table et coulisseau |


























