Eigenschaften
- Direkte Kraftaufnahme durch den in den Stößel eingebauten Kraftsensor, unempfindlich gegen Querkräfte
- Gegen Umwelteinflüsse abgeschirmte Signalaufnahme durch ein verschmutzungsunempfindliches Wegmesssystem
- Die in den Pressenschieber integrierte Messdatenverstärkung sorgt für kurze Übertragungswege unverstärkter Signale
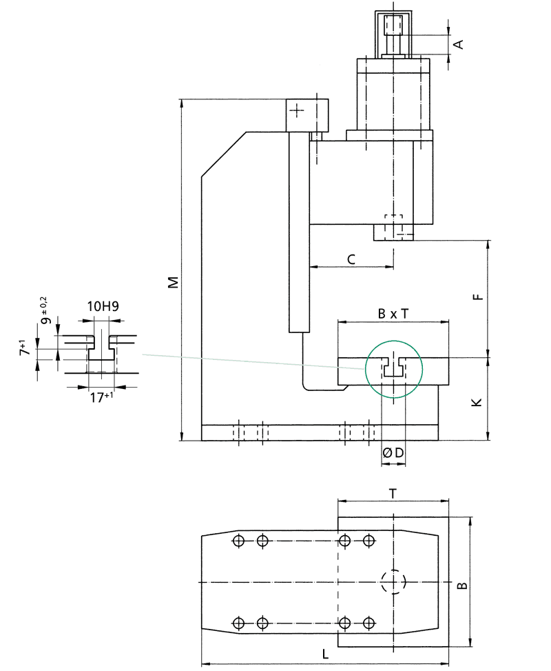
- Verdrehsicherung durch Vierkantstößel mit zweiseitig spielfrei einstellbaren Führungsleisten für präzises Arbeiten auch mit Werkzeugen ohne Führung
(nicht für Typ 320, hier spezielle Verdrehsicherung im rollengeführten Rundstößel)















